Oplossingen van de opgaven van hoofdstuk 5


  1. Het Karnaugh diagram ziet er als volgt uit:

  2. Een schakeling die de logische functie realiseert is direct uit de logische functie af te leiden.

  3. Wanneer we het Karnaugh diagram opstellen vinden we:

    Met kleuren hebben we de combinaties van enen al aangegeven. We vinden dan de volgende uitdrukking voor F:

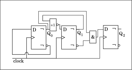
  4. Om dit ontwerp te maken stellen we eerst de toestandstabel op. We krijgen dan:

    Zoals in dit hoofdstuk aangegeven, moeten we de logische niveaus voor de D-ingangen afleiden uit de toestanden van de uitgangen (en eventueel ingangen van de schakeling, maar die zijn hier niet aanwezig). We werken met het volgende Karnaugh-diagram:

    Uit de toestandstabel leiden we dan de volgende Karnaugh-diagrammen voor de D-ingangen af (de hieruit afgeleide eenvoudige boolean functie staat er ook bij):

    Dit leidt uiteindelijk tot de volgende schakeling (let op het gebruik van de EXNOR):

  5. Om de schakeling met JK-flipflops te ontwerpen stellen we weer de teostandstabel op. Merk op dat er al behoorlijk veel don't cares in staan.

    Voor de J en K inputs krijgen we de volgende Karnaugh-diagrammen met de daaruit afgeleide vereenvoudigede boolean functies.

    Dit leidt dan tot de volgende schakeling:

    Nu moeten we nog nagaan of deze schakeling zelfherstellend is. We moeten dan onderzoeken hoe de niet gebruikte toestanden (111, 110 101 en 000) zich ontwikkelen. Een analyse geeft dat 111 als volgende toestand 110 oplevert. 110 gaat over in 101 en 101 gaat over in 100 (een toestand die past in het gegeven toestandsdiagram). De toestand 000 gaat over in 111 die dan volgens de vorige redenering ook weer naar 100 overgaat. De schakeling is dus zelfherstellend.